Posts: 17
Threads: 2
Joined: Jul 2017
I found a VK3XDK 432 transverter in a box of bits I was given recently and searching on the web didn't retune anything useful.
This is the board Im talking about and as you can see its had a SMD switch pre-soldered and also has the mixer taped to the board.
Looks like it may have been a kit of some sort but any information would be great.
73
Roger ZL3RC
IMG_4831.JPG (Size: 346.28 KB / Downloads: 400)
Posts: 20
Threads: 4
Joined: Dec 2021
(14-12-2022, 06:00 AM)ZL3RC Wrote: I found a VK3XDK 432 transverter in a box of bits I was given recently and searching on the web didn't retune anything useful.
This is the board Im talking about and as you can see its had a SMD switch pre-soldered and also has the mixer taped to the board.
Looks like it may have been a kit of some sort but any information would be great.
73
Roger ZL3RC
Have you tried contacting VK3XDK for information? still a valid Victorian call sign.
This from QRZ.
I design (and sell as kits) Microwave Transverters. So far 432Mhz, 1296MHz, 2403MHz, 3400MHz, 5760MHz and10.368GHz (transverters) I also have a versitile PLL board (see my
http://www.vk3xdk.net46.net/ website or email for details)
Posts: 1,292
Threads: 327
Joined: Sep 2016
Roger
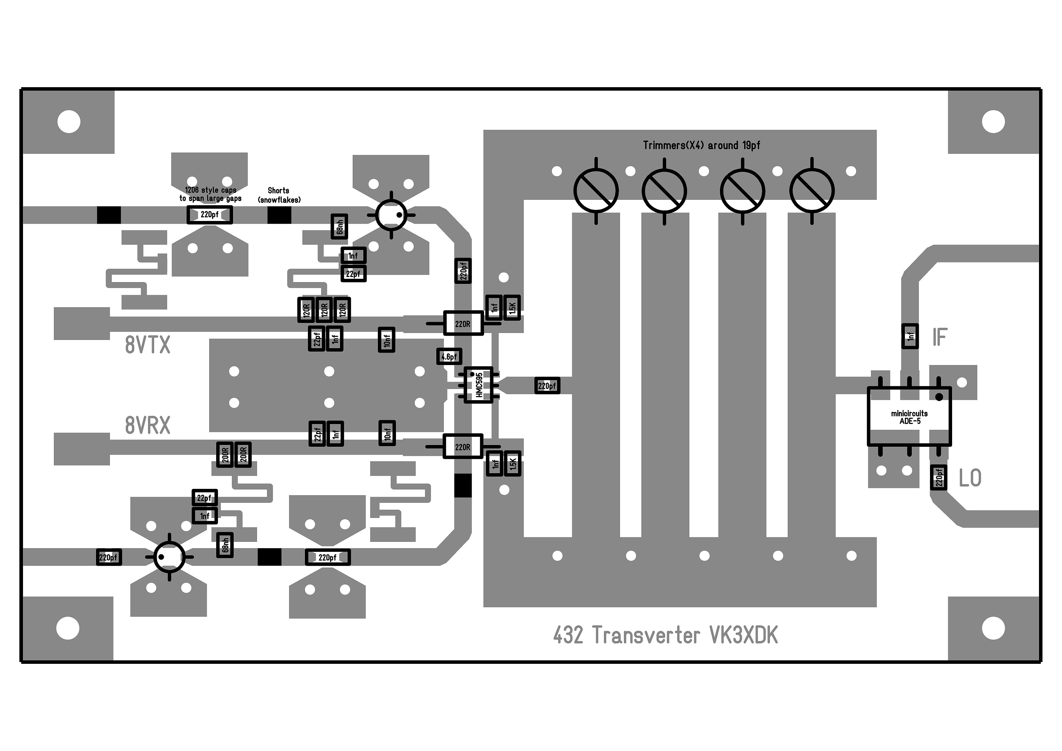
There a lot of similarities between that PCB and the W1GHZ PCBs for 2.4 and 3.4GHz (at least the older version). The mixer goes at the RHS of your photo directly onto pads then to the tracks marked for IF and LO, the 70CM BPF in the centre and what I assume is an SMD RF switching device before heading off to two MMICs in each leg, transmit and receive.
The MMIC biassing is simple, one resistor that is determined by the MMIC type and the applied voltage with +8 is marked on the PCB. You can do some sums using loss figures for the ADE5 ( 6dB at 430 when using about +7 dBm LO level), then allow about 6dB loss for the BPF, 1-2dB for the SMD RF switch chip then start adding gain figures for the MMICs. The output device on TX was probably an MAV11 and that will produce maybe +16 dBm out. Thus you can work out the TX stage gain required for a 0dBM input level on transmit. Note the 1dB compression values of the MMIC chips, as well as the gain values, so that you are not expecting more output than the devices are capable of producing.
The RX chain probably has an ERA5 as a 1st chip, and maybe even a jumper across the 2nd MMIC position, as the total stage gain can again be calculated. Use -107dBm (1uV) as a starting point for rx input level, then add gain and loss figures along the chain so that it has a gain rise of about 10 to 20dB across RX input port to the IF output port.
The final step is to work out MMIC bias resistor values. Use SMD chip caps, probably also 0805 parts, to couple signals or bypass points to ground. Typically 100pF at 70CM for coupling, 470pF to 1000pF (sorry 1nF !!) for bypasses. Final C values are not critical.
Be sure that the TX drive at the IF port does NOT exceed around 0dBm else mixer overload or destruction can occur.
Of course, time has moved on and there are better MMICs now than when that PCB was designed so some research about what will fit the PCB layout, and is currently available, is in order.
Doug
Doug VK4ADC @ QG62LG51
http://www.vk4adc.com
This Forum is only going to be as interesting as the posts it contains.
If you have a comment or question, post it as it may trigger or answer the query in someone else's mind.
Posts: 51
Threads: 4
Joined: Jun 2017
Hi Roger,
You might like to do a search on the old VKLogger forum here:
https://vk4ghz.com/forum/
There might be some info there...
Hilary, VK2AZ QF56IF31
Person to blame for
VKSpotter
Posts: 8
Threads: 0
Joined: Sep 2016
Hi Roger,
I gather that you originally posted a picture of the board that you have.
My recollection is that the earlier version had etched striplines for the BPF, whereas the later version used a helical filter. I have built both of these, but for the moment have attached some information on the stripline BPF version.
432 Transverter(layout)_s.jpg (Size: 301.31 KB / Downloads: 481)
432 Transverter_s.jpg (Size: 500.27 KB / Downloads: 478)
I know Graham was a big fan of the SNA586 MMIC so I feel sure that device would have been used in the Tx amplifier.
Can you please confirm which version you have ?
73
Rod VK4VU
Posts: 17
Threads: 2
Joined: Jul 2017
(30-12-2022, 07:34 PM)VK4VU Wrote: Hi Roger,
I gather that you originally posted a picture of the board that you have.
My recollection is that the earlier version had etched striplines for the BPF, whereas the later version used a helical filter. I have built both of these, but for the moment have attached some information on the stripline BPF version.
I know Graham was a big fan of the SNA586 MMIC so I feel sure that device would have been used in the Tx amplifier.
Can you please confirm which version you have ?
73
Rod VK4VU
Fantastic Ron. Yes its the strip-line one I have and that circuit diagram is probably enough to get me started. The ring-mixer and switch are with the board so I was really only looking for what MMIC's were used and the arrangement around the strip lines. If you have a value for the tuning caps and may be on injection level handy that would be all I need to get it going. But don't spend too much time looking as its not to hard to do the suck and see method.
HNY to you and thanks again
Roger ZL3RC
Posts: 1,292
Threads: 327
Joined: Sep 2016
Roger
Refer post #3 above for LO level and stage gain determination, however one of the MMICs in each path was replaced by a capacitor on that board layout so use 0dB gain/loss for that stage.
There are better products now-adays (and available) than the SNA586 and because they are all based on 50 ohm in/out, changing to a more modern MMIC in the same package style is as simple as changing the series bias resistor to the output pin of the MMIC.
Have fun. HNY
Doug
Doug VK4ADC @ QG62LG51
http://www.vk4adc.com
This Forum is only going to be as interesting as the posts it contains.
If you have a comment or question, post it as it may trigger or answer the query in someone else's mind.
Posts: 17
Threads: 2
Joined: Jul 2017
(31-12-2022, 07:09 PM)VK4ADC Wrote: Roger
Refer post #3 above for LO level and stage gain determination, however one of the MMICs in each path was replaced by a capacitor on that board layout so use 0dB gain/loss for that stage.
There are better products now-adays (and available) than the SNA586 and because they are all based on 50 ohm in/out, changing to a more modern MMIC in the same package style is as simple as changing the series bias resistor to the output pin of the MMIC.
Have fun. HNY
Doug
Thanks Doug and all understood.
HNY
Roger
Posts: 8
Threads: 0
Joined: Sep 2016
Hi Roger,
I've attached a pdf of the documentation that I have on the V1 board and have added the two images that I sent previously just for completeness.
VK3XDK 70cm transverter V1.pdf (Size: 1.02 MB / Downloads: 615)
Version 1 of this design used an INA02186 as the transmit amplifier and a SGA5486 as the Rx amplifier.
The Version 2 board is more or less the same except that the Tx MMIC was changed to a SNA-586 and the Rx MMIC is an ERA-3 - and of course the BPF is a 3 section helical filter.
As Doug has commented earlier in this thread, the SNA-586 is a discontinued part, but it should be possible to find something suitable in the right package.
The more recently designed board from
W1GHZ not only uses more up-to-date devices, but I also note that Paul has adopted a slightly different approach by using 2 amplification stages for each of the Tx and Rx chains, along with some more bandpass filtering. This would help with image rejection etc., and is one of the points raised by VK3XDK in his write-up.
Hope this helps.
73
Rod VK4VU